

一、T-H型 智能水温水位控制器概述
T-H水温水位控制机是由TH主机、温度传感器、水位变送器等组成。其中,主机采用了XM-T智能温度调节器和XM-H智能液位调节器的功能组合,配以优质继电器、按钮、指示灯等,整机形式国内唯一,整机性能稳定可靠。
用途:开式水箱直接加热系统
控制对象:电动阀
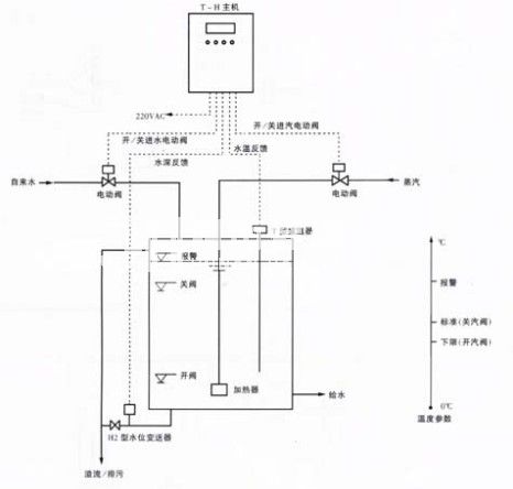
控制方案:按设定水位开/关进水电动阀,同时,按设定温度开/关进汽电动阀。
主要功能:水温显示,水温设定,水深显示,水位设定,全自动运行。
T-H水温水位控制机型号表示说明:T①-H②
①—表示水温水位控制机中蒸汽电动阀门的口径
②—表示表示水温水位控制机中水电动阀的口径
二、T-H型 智能水温水位控制器技术参数
|
电源 |
220V 50Hz |
|
额定容量 |
600W |
|
检测水深 |
0~100m |
|
检测水温 |
0℃~150℃ |
|
控制灵敏度 |
水深±0.01m,水温±0.5℃ |
|
水位变送器安装距离 |
﹤500m(变送器信号:24VDC/4~20mA二线制 |
|
感温器安装距离 |
﹤300m(感温器信号:电阻值) |
|
主机工作环境 |
温度-30℃~45℃,湿度﹤85%RH,无凝露 |
|
功耗 |
﹤30W |
|
噪声 |
﹤30dB |
|
主机外形尺寸 |
高500×宽370×厚180(mm) |
|
主机安装形式 |
挂式(挂孔2-Φ8×10,孔距260mm) |
三、T-H型 智能水温水位控制器安装

四、T-H型 智能水温水位控制器应用
T-H水温水位控制机的工作过程:
当水温低于设定下限温度时,打开进汽电动阀加热;当水温上升至设定标准温度时,关闭进汽电动阀,停止加热。另一方面,当水深降至设定开阀水位时,打开进水电动阀加水;当水位上升至设定最高关阀水位时,关闭进水电动阀,停止加水。当水温高于设定报警温度时,以及,当水深高于设定报警水位时,水温水位控制机会发出报警提示。
水温水位控制机可实现水温-水位联控:当水深低于开阀水位时,进汽电动阀关闭,避免蒸汽外泄。

